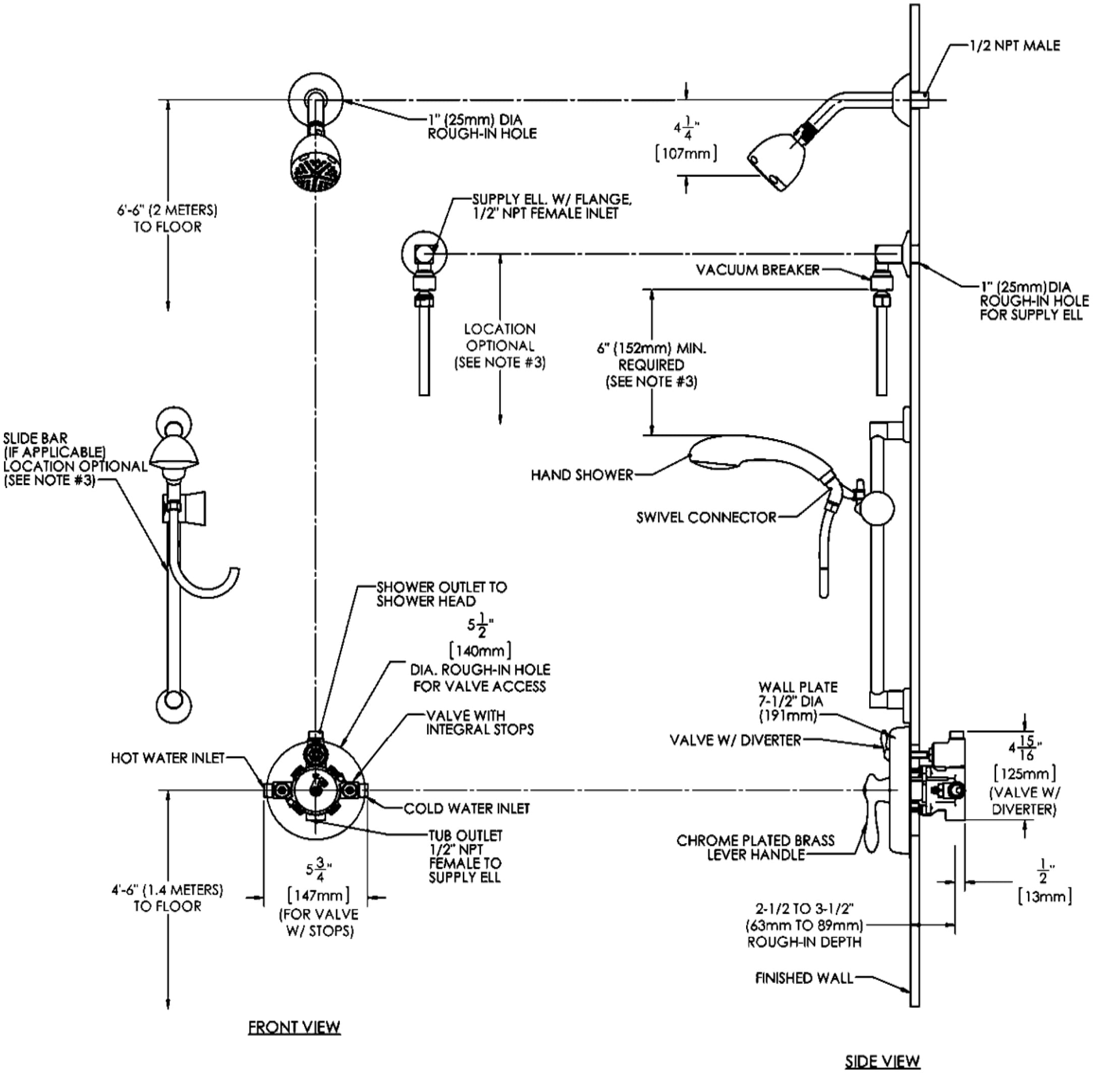
The Speakman Sentinel Mark II SM-3460-VH Shower System with Diverter Valve, Fixed and Hand Shower is designed to provide high quality anti-scald protection. The Mark II Valve features an independent center sleeve which allows up to 1 In. of roughing in variation. Temperature can be adjusted through the temperature limit stops and the valves have a ceramic temperature regulating module. The valve features polished chrome plated brass trim with a metal index plate that are vandal resistant. Sentinel Valves provide superior protection down to 2.0 GPM. The SM-3460-VH includes the S-2272-E2 shower head, VS-1000-AF hand shower and VS-124 slide bar. The SM-3460-VH is certified to meet ASSE 1016 and ASME A112.18.1/CSA B125.1 standards.
| Weight | 67578171 kg |
|---|---|
| Dimensions | 67594172 × 6723697 cm |
| Product finish | Polished Chrome |
| Flow rate | 2.5 GPM |
| Collection | |
| Product style | Commercial |




